隔爆型手动火灾报警按钮产品特点与安装应用指南
发布时间:2026-01-13 08:05:14
产品分类:产品中心
该隔爆型手动火灾报警按钮专为船舶及爆炸危险环境设计,具备电子编码、宽温高防护及双接口分线功能。其工作稳定可靠,安装方式灵活,需遵循严格的布线与测试规程以确保在恶劣环境下的有效运行。
订购热线:
立即咨询产品详情
海湾J-SAM-GST9116隔爆型手动火灾报警按钮





一、J-SAM-GST9116隔爆型手动火灾报警按钮概述:
J-SAM-GST9116手动火灾报警按钮(以下简称报警按钮)安装在船舶及工业防爆场所,当人工确认火灾发生后按下报警按钮上的按片,可向火灾报警控制器(以下简称控制器)发出火灾报警信号。
报警按钮的防爆性能符合GB3836.1-2000《爆炸性气体环境用电气设备第1部分:通用要求》、GB3836.2-2000《爆炸性气体环境用电气设备第2部分:隔爆型“d”》、GB12476.1-2000《可燃性粉尘环境用电气设备第1部分:用外壳和限制表面温度保护的电气设备第1节:电气设备的技术要求》标准的要求,同时还满足GB19880-2005《手动火灾报警按钮》中的各项要求。
J-SAM-GST9116报警按钮适用于船舶、爆炸性气体危险场所的1区、2区和爆炸性粉尘危险场所的20区、21区和22区,可用于户外,需根据现场环境选用。
二、J-SAM-GST9116隔爆型手动火灾报警按钮特点:
1.用单片机进行报警检测、输出控制,采用数字化总线与控制器进行通信,工作稳定可靠,对电磁干扰有良好的抑制能力。
2.地址码为电子编码,可现场改写。
3.提供独立的输出触点,可直接控制其它外部设备。
4.报警按钮上的按片在按下后必须使用专用工具复位。
5.宽温型、高防护、防爆产品,可用于船舶、户外及爆炸危险场所。 6.双接口配置,可实现分线功能,省去防爆接线箱。
三、J-SAM-GST9116隔爆型手动火灾报警按钮技术特性:
1.工作电压:额定工作电压:总线24V工作电压范围:总线16V~28V
2.工作电流:监视电流≤0.8mA报警电流≤2mA
3.输出容量:常开无源输出,触点容量1A,DC24V
4.启动零件型式:重复使用型
5.启动方式:人工按下按片
6.复位方式:用专用钥匙手动复位
7.火警指示灯:红色,正常巡检时闪亮,报警后常亮。
8.编码方式:电子编码(编码范围为1~242)
9.线制:控制器二总线,无极性
10.使用环境:温度:-40℃~+70℃相对湿度≤95%
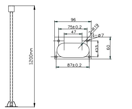
11.外形尺寸:196mm×129mm×95mm(不包括安装附件)
12.外壳防护等级:IP65
13.壳体材料和颜色:ZL102铝合金,红色
14.重量:2kg
16.安装孔距:153mm
17.执行标准:GB3836.1-2000,GB3836.2-2000,GB12476.1-2000,GB19880-2005
18.防爆标志:ExdⅡBT6/DIPA20TA,T6
19.防爆合格证编号:CE061142
四、J-SAM-GST9116隔爆手动火灾报警按钮结构特征与工作原理
1.报警按钮的外形示意图如图1所示。

2.工作原理
本报警按钮采用按压报警方式,通过机械结构进行自锁,可减少人为误触发现象。报警按钮内置单片机,完成报警检测及与控制器通讯功能。单片机内含EEPROM用于存储地址码、设备类型等信息,地址码可通过本公司生产的电子编码器进行现场更改。

五、J-SAM-GST9116防爆手报测试
警告:待全部设备都安装完毕后再接通电源。
1.报警按钮安装结束后或每次定期维护保养后必须进行测试。
2.报警按钮在进行测试之前,应通知有关管理部门,系统将进行维护,会因此而临时停止工作。同时应切断将进行维护的区域或系统的逻辑控制功能,以免造成不必要的报警联动。
3.按下报警按钮按片,报警按钮红色报警指示灯应常亮,控制器应显示该报警按钮报警地址。
4.测试结束后,用专用钥匙使报警按钮复位,并通知有关管理部门系统恢复正常;在测试过程中不合格的报警按钮检验其连接线是否正常,然后再进行测试,如仍不能通过测试,则应返回维修。
采购:隔爆型手动火灾报警按钮产品特点与安装应用指南
* 表示必填
推荐产品
-
隔爆型手动火灾报警按钮选型、安装与测试指南
该隔爆型手动火灾报警按钮专为船舶及爆炸危险场所设计,具备高防护等级与稳定性能。文 -
高能火灾报警控制器特点与参数解析,带载能力与调试便捷性详解
该控制器具备强大的带载能力,支持更多外部设备且传输距离更远。其内置蓝牙模块简化了 -
智能消防应急疏散标志灯功能解析与参数详解
该智能消防应急疏散标志灯支持控制器联动,可实时监测并上报光源与通讯故障,采用LE -
壁挂式小型单面楼层左向标志灯产品特点与技术参数详解
该壁挂式小型单面楼层左向标志灯具备与应急照明控制器联动、实时上报光源与通讯故障等

